Eje con freno de inercia para remolques AL-KO 1300 mm 1350 kg 5×112
574.99€
Eje con freno de inercia para remolques pesados 1350 kg, espaciado de orificios de montaje de 1300 mm
Descripción
El tema de la venta es un eje con freno para remolques fabricado por AL-KO. El dispositivo con torsión de caucho que garantiza la seguridad de viaje. La MMA es de 1350kg.
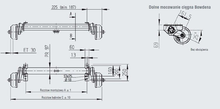
En las imagenes se puede observar el esquema del eje con sus cotas.
¡Importante! Al pedir un eje en nuestro sitio web, NO recibirá un juego de tornillos de rueda. El set NO incluye latiguillos de freno, están disponibles en nuestra tienda.
Las dimensiones del eje:
- separadores de llanta 5×112
- soporte a chasis (cota A): 130 cm
- distancia entre los tambores (cota B): 175 cm
- MMA 1350 kg
El eje se vende con un completo de tornillos.




Fabricante
AL-KO
Código del producto
UT000172
Número de catálogo
1346928
Fabricante
AL-KO
Modelo
Eje con freno 1350 kg
Masa máxima autorizada para un eje
1350 kg
Espaciado de los orificios de fijación
1300 mm
Distancia entre cilindros
1750 mm
Peso
45 kg
Diámetro de los orificios de montaje
5 x 112 mm
Estado
nuevo


















